 通過開發出獨一無二的模擬設計軟件, Optiwave公司是 光通訊及微光領域的領先供應商。 Optiwave軟件作為行 業標準,被廣泛采用于全球范圍的財富500強企業,大 學以及政府研究機構和重點實驗室。 Optiwave公司總部 位于加拿大首都渥太華,經銷網絡遍布美洲,歐洲以及 亞洲。。
“ 精確和高效的模擬仿真是優化平面光電路( PLC)設計并避免昂貴的設計錯誤成本的關鍵所在。
Optiwave為我的團隊提供了一個卓越的工具以用于PLC結構的設計。
Optiwave軟件易于上手,靈活,功能強大且快速。此外, Optiwave公司給與的技術支持總是非常的出色。
我誠摯地向大家推薦這款專門用于光波導與光纖光學模擬的Optiwave軟件。”
Carl Tuttle,
PhD Physicist, Optical Designer
Advanced Technology Center,
Lockheed Martin Corporation
我們能夠滿足您如下的設計需求:
OptiSystem
光通訊網絡系統, FTTH應用系統, CATV設計, PON SONET/SDH環路設計以及光放大器設計。
OptiBPM
通道波導,肋形或者脊形波導,掩埋波導或者擴散波導。 最適合于設計分波器,合波器,耦合波導,調制器和多路復用器。
OptiSPICE
從激光驅動器到跨阻抗放大器, 光纖連接器和電子均衡器等光電回路的關鍵零部件, 在晶體管層次進行光電一體化設計和仿真。
OptiFiber
設計單模和多模光纖,設計過程中考慮了光纖的衰減,彎曲損耗,色散,模式測量,雙折射以及偏振模色散(PMD)特性。
OptiFDTD
金屬納米材料, 光子帶隙材料和器件,微光環路濾波器和諧振腔,基于光柵的波導結構。
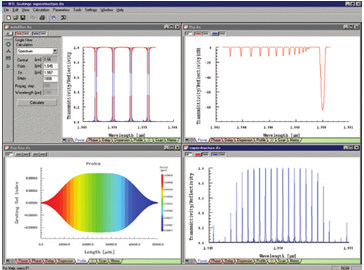
OptiGrating
光纖光柵和平面波導光柵的設計。應用之一是各類溫度壓力光柵傳感器。擁有強大的逆解析模塊。
Optiwave System Inc.是最知名的和最堅定的光通訊設計工具創新開發公司。
Optiwave為成百上千的高科技企業提供了各種強大的光電設計工具。在過去的十多年中,我們建立的一個社區中有60多個國家的一千多名科研用戶,他們一直支持著Optiwave在加拿大商業中所獲得成就。
Optiwave的本質是一個研發性質的公司,這一直也是它最大的優勢。在工程軟件解決方案開發方面,其專家團隊已為物理過程的數值模擬創造了許多高精度且人性化操作界面的行業領先的軟件應用程序。
OptiSystem 光通訊系統和放大器設計軟件
軟件概覽
在一個行業中,成本效率和生產率是一家公司成功的重要條件,一流的OptiSystem軟件能夠最小化時間成本且減少光學系統、鏈路以及元件設計的相關成本。OptiSystem是一個創新的,快速更新且強大的軟件工具,幾乎能夠幫助用戶完成從LAN ,SAN,MAN到超長距的寬光譜光網絡的傳輸層中的每種光學鏈路中的設計,測試與模擬。它可以完成傳輸層光通訊系統設計以及從元件到系統層的規劃,直觀的呈現分析并提供方案。通過與Optiwave其它的產品和行業領先電子自動設計軟件的集成,以加速您的產品上市并縮短投資回報周期。
優勢
對系統性能進行總體解析
進行參數敏感性評估以幫助設計公差參數
向潛在客戶的直觀顯示設計選項和方案
交付器可直接訪問大量系統表征數據
提供自動化參數掃描和優化
與Optiwave系列產品進行集成
應用
OptiSystem是為了解決科研人員,光電信息工程師,系統整合者,學生以及其它的用戶的需求而開發的,其功能強大,能夠滿足不斷變革的光電市場且是一款易于使用的光通訊系統設計工具。
OptiSystem能夠幫助用戶進行規劃,測試和模擬(包含時域與頻域):
■ 包含OTDM,SONET/SDH環路,CWDM,DWDM,PON,Cable,OCDMA的光網絡設計
■ 單模/多模傳輸
■ 自由空間光通訊(FSO),光纖無線通訊(ROF),正交頻分多路復用(OFDM,直接/相干)
■ 放大器和激光器(EDFA,SOA,Raman,Hybird,GFF優化,光纖激光器)
■ 信號處理(電的,數字的,所有的光學)
■ 發射器和接收器(直接/相干)子系統設計
■ 調制格式(RZ, NRZ, CSRZ, DB, DPSK,QPSK, DP-QPSK, PM-QPSK, QAM-16, QAM-64)
■ 系統性能分析(可見視圖/Q因子/BER,信號功率/OSNR,偏振態,星座圖,線性和非線性補償)
“由于光系統變得越來越復雜,科研人員和工程師必須采用先進的軟件模擬技術以在設計中獲取至關重要的幫助。OptiSystem的強大的功能和靈活性促進了有效且高效的光電設計。”
Dr. Govind p. Agrawal,Professor,Institute of Optics, University of Rochester and author of Fiber-Optics Communications Systems
主要功能
元件庫
OptiSystem元件庫包含成百上千個元件,通過與不同供應商的測試與測量設備集成,允許用戶輸入來自設備的測量數據來以模擬真實元件。用戶可以基于子系統或者用戶自定義庫 新的元件,或者使用第三方工具,如MATLAB或者SPICE進行聯合模擬。
與Optiwave軟件工具集成
OptiSystem允許用戶采用指定的Optiwave工具以用于在元件和回路層進行集成和光纖光通訊:OptiSPICE,OptiBPM,OptiGrating以及OptiFiber。
混合信號表征
OptiSystem在元件庫中處理光電信號的混合信號格式。OptiSystem根據需要的模擬精度和效率,使用合適的算法來計算信號。
質量與性能算法
為了預測系統的性能,OptiSystem使用數值分析或者半解析技術來計算系統的參數,如BER或者Q參數。
高級可視化工具
用戶可使用高級可視化工具生成OSA光譜,信號啁啾,可視化視圖,偏振態,星座圖等。同樣包含了WDM分析工具,如信號功率列表,增益,噪聲圖以及每個通道的OSNR。
數據監控
用戶可以選擇元件端口來保存數據并在模擬完成后附加上監控器。用戶在模擬后不用進行再次計算而能夠直接進行數據處理。用戶可以在同一端口附加任意數量的可視器到監控器。
子系統分層模擬
為了使用戶有效且靈活模擬工具,OptiSystem為用戶提供了不同的抽象層級模型,包含系統,子系統以及元件層級。OptiSystem的元件和系統的真實分層定義的功能能夠讓模擬結果如期望的結果一樣精確。
強大的VB語言
用戶可以輸入參數的數學表達式并創建全局參數,通過使用標準的VB語言,以實現元件與子系統之間的共享。腳本語言同樣可以控制和操作OptiSystem,包含計算,創建輸出以及后處理。
最先進的計算數據流
基于所選擇的數據流模型,計算調制器通過確定元件模塊的執行級次來控制模擬,位于傳輸層的模擬的主要數據流是元件迭代數據流(CTDF)。CTDF主要使用運行時間調度,配套條件,數據依賴迭代和真實循環。
報告記錄
一個完整的自定義報告記錄允許用戶顯示設計中任意的參數集以及可獲得的結果。生成的報告可以整理成尺寸可變和可移動的電子表格,文本,2D和3D圖。也可以以HTML導出并用預格式化模板報告布局。
材料賬單
OptiSystem為用戶提供由系統,布局和組件所設計,準備的系統成本分析表格。成本數據可以導入到其它的應用程序或者表格中。
多重布局
用戶可以使用同樣的項目文件創建許多設計,這允許用戶能夠快速且高效地創建和修改其設計。每個OptiSystem項目文件可以包含許多設計版本。設計版本各自地進行計算和修改,但是不同版本的計算結果可以聯合起來,以進行設計的對比。
特性
OptiSystem為光通訊設計工程師提供了最全面的光通訊和光電設計套裝。其主要特性如下:
信號傳送器庫
OptiSystem的信號傳送器庫包含了各種各樣的光源(Fabry-Perot,DFB, VCSEL),電和光信號脈沖生成器,光學調制器(EA,MZ),電調制器和編碼器(QAM, PAM, FSK, OFDM)和多模信號生成器(Laguerre-Gaussian,Hermite-Gaussian)。
設計者能夠在基于物理或基于測量(實驗上的)之間選擇模型以用于模擬半導體激光器的靜態和動態行為。基于物理模型包含了1D和2D多模激光速率方程,以使工程師能夠在大部分激光速率模型與傳輸線性矩陣方法(TLMM)之間進行切換。
接收器庫
接收器庫包含了所有必需的構建模塊以精確地模擬光通訊接收器子系統。組件包含了再生器(時鐘/數據恢復,3R),電子均衡器,閾值探測器,PSK/QAM調制判定電路,PIN和APD光探測器,編碼器(PAM,QAM,PSK等),數字信號處理(DSP)工具集以用于單和雙偏振相干PSK和QAM系統。

光纖
高級,高度參數化的光纖模型可以用于描述單模/多模信號傳輸,包含線性(色散),隨機(PMD)和非線性損傷(四波混頻,自相位調制和十字相位調制)。使用OptiSystem里的雙向光纖組件,可以模擬和測量瑞利,布里淵和拉曼散射效應。
放大器
提供了一整套穩態和動態的光學放大器模型,包含了高級摻雜光學模型(Er,Er多模,Er-Yb,Yb,Yb多模,Tm,Pr)以用于精細的物理光纖放大器設計;EDFA和EDFA黑盒子(增益光譜,噪聲圖測量)以用于WDM網絡系統設計;動態和平均拉曼模型;1D/2D半導體光放大器模型(lumped rate equation,行波,TLMM)。電域放大器同樣用于接收器的設計(跨阻抗,自動增益控制和限幅放大器應用)。
網路部署工具
網絡部署工具包含理想和非理想模型,以用于光開關,多路復用器,多路解復用器,陣列波導,光纖連接器和PMD模擬器。
濾波器
各種各樣的電光濾波器以用于子系統和系統設計模擬,包含了標準的濾波函數(Bessel, Gaussian, RC, RaisedCosine等),數字IIP/FIP濾波器,周期濾波器,反射/光纖布拉格濾波器,測量濾波器,S參數和聲光濾波器。
無源器件
大量的光電無源器件可用于構建各種各樣的組件和設計子系統。光器件包括衰減器,耦合器,分束器和合束器,偏振控制器,反射鏡,taps,隔離器和環形器。電器件包含180°和90°的混合耦合器,DC屏蔽器,功率分束器和合束器以及RF傳輸線。
為用戶提供的模型能夠讓設計者使用測量數據來描述器件變換函數,包含小信號散射矩陣和瓊斯矩陣。
信號處理
信號處理工具用于操作光學,電學和二元信號。其函數和算符包含了偏差生成器,增益,信號加減以及修正器,電學微分器和積分器,向下采樣,串并行和并串行轉換器,電觸發器(flip flops)和電/二元邏輯算符。
空間和自由空間光設計工具
OptiSystem有專門的元件以用于模擬自由空間光通道(無線特征,大氣傳輸)以及器件間(多模生成器,空間連接器,薄透鏡,空間可視器)多模信號耦合的空間分析。
可視化工具
可視化和后模擬分析工具包含BER測試系列和分析器,可視化視圖分析器,光譜分析器,功率分析器,示波器,光時域預覽器,功率器,偏振分析器,空間觀察儀,環形通量,DMD分析器,所有的光參數分析器,濾波分析器和S參數提取器。
OptiPerfomer
OptiPerfomer是一個免費光通訊系統可視化工具以來利用OptiSystem中的全部功能。
使用OptiPerfomer來創建指定的動態設計案例可以讓同事來使用,以加強他們對光電元件和系統設計權衡的理解。
OptiPerfomer用戶不需要OptiSystem軟件,在某種程度上,也不需要必須的技術技能即可使用其全部的功能。

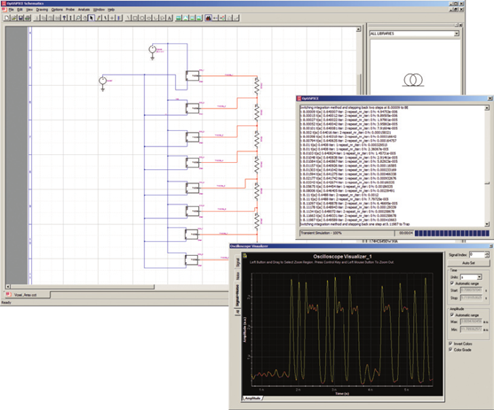
OptiSPICE 光電電路設計軟件
概述
OptiSPICE是首套回路設計軟件,用于包含光電元件交互集成回路的分析。它允許設計和模擬晶體管層面的光電回路,包括從激光驅動器到跨阻抗放大器、光連接器和電子均衡器。隨著光電元件在芯片和集成板上的集成,為設計工程師提供可靠的,且可以精確并高效預估光電集成回路和集成板上信號行為的模擬程序顯得尤為重要。OptiSPICE提供了光電回路的自洽解決方案,方案中包含了光電兩部分的反饋。OptiSPICE是一個包括參數提取、圖形截取、回路模擬和波形分析的全集成平臺。
優勢
■ 通過OptiSPICE全面的設計環境以在一個模擬平臺上模擬光電回路,可以大大降低產品開發成本并提高生產率。
■ 運行最新的瞬態時域、小信號頻率和噪聲分析器以精確預測高級的光電回路行為。
■ OptiSPICE圖表提供在直觀用戶圖形接口上進行直接圖表輸入。提供圖形抓取、參數定義、波形探測和使用。
■ 波形分析采用OptiSystem復數數據處理功能。先進的觀察工具用于產生OSA頻譜、信號啁啾、可見視圖、偏振態、星座圖等等。
■ 用于OptiSPICE模型創建的參數提取工具。根據測量數據,參數提取器尋找最佳的OptiSPICE模型參數設置以用于擬合測量。
應用
■ 設計模擬晶體管層面的光電回路,包括從激光驅動器到跨阻抗放大器、光連接器和電子均衡器。
■ 光電回路信號完整性分析,包括BER圖樣的可見視圖分析。
示意圖編輯器
■ 集成器件符號編輯器使你能夠采用標準畫圖工具創建元件或分層塊的自定義符號。
■ 完全支持不限層數的層次設計。圖形中的任何符號可以包含任意尺寸的其他圖形。塊可以嵌套到任意想要的深度。任意數目的分層塊可以隨時被打開進行編輯。
■ OptiSPICE圖形包含強大的用戶報告生成器工具,用于生成網表和文本報告。報告格式是由包含了格式命令和常數文本的“表格文件”所確定。表格文件允許你控制:所有的報告結構,如信號或元件連線格式,元件材料列表等等。
■ OptiSPICE包括一些強大的技術用于腳本和自定義,其允許全面獲取所有設計數據和每個設計函數。
■ 圖形編輯器可以將圖表保存為標準PDF,WMF(windows Metafile)和DXF(autoCAD )圖像格式。這一功能可以幫助用戶把圖像放到其他軟件中進行繪畫、增強或者結合到其他文件。
■ 產生OptiSPICE或HSPICE相兼容網表。
模擬器
■ OptiSPICE模擬器直接將方程式光學元件合并到電學模擬結構中,因此是一個單引擎的光電模擬軟件。
■ 包括熱的宏模型用于模擬元件的熱行為。用戶可以將其結合到光電模擬中以提高可靠的模擬結果。
■ 支持多種多樣的電路元件如二極管、晶體管、BJT和MOSFET等,以及光學元件如激光二極管、光纖和光電二極管。
■ 能夠處理集成光學、多光通道(WDM)和多模信號。
■ 先進的數值技術擁有出眾的收斂特性。先進的求解器自動選取最好的收斂算法以用于可靠的瞬態模擬收斂。
■ 有源和無源器件模型與工業HSPICE標準相兼容。用戶可以很容易地導入以HSPICE格式編寫的外部模型和網表到OptiSPICE中。
■ 支持BSIM3模型的精確模擬。
■ 提供依賴不同頻率的模型的精確運行,包括S-參數、極點/留數表達式和傳輸線模型。
波形分析
■ OptiSPICE波形預覽是一個后模擬分析工具,允許設計者通過捕捉來自一個OptiSPICE回路設計中任意的探針位置的光電信號數據并進行預覽。
■ 2D可視化能力包含了雙向(時域)電流分析,電壓分析以及光功率,放大率和相位測量。
■ 按鈕激活控制允許設計者自動地將同樣的探針數據導入OptiSystem的高級后處理環境中以用于進一步的分析(包含可視化視圖和光譜可視化,BER和Q因子測量)。
參數提取
■ 激光參數提取器允許用戶通過從激光器的靜態和動態測量值中提取和擬合參數以建立模型。
■ 濾波器參數提取器允許用戶將S-參數變為緊湊和高效的極點/留數表達式。
■ 多模光纖參數提取器包括一個光纖模式求解器,允許用戶從用戶自定義的折射率分布中產生光纖庫。

OptiFDTD 有限差分時域設計軟件

概述
OptiFDTD能夠幫組用戶設計,分析和測試用于波動傳輸,散射,反射,衍射,偏振和非線性現象的現代無源和非線性光子元件。 OptiFDTD的核心程序 是基于具有二階數值精度的有限差分時域算法以及最先進的邊界條件-單軸完全匹配層(UPML)邊界條件。該算法采用麥克斯韋旋度方程的全矢量微分形式求解時域空域的電場和磁場。這種求解方式允許任意幾何體的建模與放置且對器件的材料屬性沒有限制。
通過減短上市時間,OptiFDTD極大的提高了設計工程師的生產率。通過與其它的Optiwave光子設計自動化軟件進行集成,可以使投資得到更快的回報。
應用
■ 電介質和金屬光柵
■ CMOS傳感器設計
■ VCSEL激光器無源器件設計
■ 光子晶體
■ 集成光學
■ 光學濾波器和諧振器
■ 太陽能電池
■ LED和OLED無源器件設計
■ 納米光刻
■ 等離子體
■ 表面等離子體共振
■ 納米粒子模擬
■ 衍射微光學元件
■ 體散射模擬
主要特性
集成模擬環境
OptiFDTD為用戶提供了一個完整的且用戶友好的3D圖形用戶界面以用于設計,模擬和分析復雜的器件。OptiFDTD可以與第三方CAD軟件容易的進行設計文件的導入和導出,如DXF格式和GDSII格式。為了擴展模擬范圍,僅用OptiFDTD即可輕易的實現OptiFDTD和OptiBPM的交互應用。
強大的自動化和參數掃描
通過使用強大的Visual Basic腳本語言,OptiFDTD的設計和模擬能夠實現完全的自動化。此語言易學且提供了標準的編程結構,如對象,循環和測試。參數掃描提供了一個簡單易用的用戶界面以用于定義參數的模擬,模擬中每次迭代有一到兩個參數變化。OptiFDTD的后處理工具可以利用自動化函數并能夠幫助用戶優化其設計。
光子晶體平面波展開能帶求解器
2D PWE能帶求解器和光子晶體編輯器的完全集成能夠幫助用戶設計和模擬任意類型的光子晶體問題(1D,2D,3D)。PWE能帶求解器通過掃描簡約布里淵區的波矢量空間可以找到結構的本征頻率。最終在生成的能帶圖中自動地畫出帶隙。
準確的并行特性
OptiFDTD充分利用現代計算器的64位操作系統和處理器。通過共享內存,可以在單個機器上進行多核和多處理器最優化運算,為計算提供最好的性能并占用最少的內存(與分布式內存結構,如MPI相比)。對于內存密集型模擬,用戶可以使用我們的Linux 3D模擬引擎,其專門設計以充分利用Linux計算機群。
高級仿真后處理工具
OptiFDTD提供了大量的模擬分析工具。使用OptiFDTD分析器,用戶可以通過探測器觀察任意場方向的時域和頻域(使用FFT或者DFT)的振幅,相位,實部或者虛部值。所有的數據都能夠導出以用于第三方軟件工具,如MatlabTM或者OriginTM以用于進一步的處理或者應用。
同樣,可以以一種動態的方式觀察時域場的演化。通過使用OptiFDTD分析器和OptiFDTD工具箱,可以獲取偏振功率分布,坡印廷矢量,重疊積分(overlap integrals),熱吸收計算和遠場變換。
特性概述
光源:
■ 使用OptiMode的波導模輸入
■ 平面波與高斯光源輸入
■ 點光源(偶極子)
■ 單波長(連續)光源和脈沖光源
■ 線偏或圓偏偏振光源
■ 多光源同時模擬
材料:
■ 電介質(損耗和無損耗)材料,(n,k)直接引入或者玻璃的Sellmeier模型
■ 各向同性或者各向異性介質
■ 色散(Lorentz,Drude和Lorentz-Drude)
■ 理想導體材料和廣義材料庫
邊界條件:
■ 單軸完全匹配層(UPML)
■ 理想電導體(PEC)
■ 理想磁導體(PMC)
■ 理想邊界條件(PBC)
幾何體:
■ 直的和傾斜的錐形函數波導
■ 環形,弧形,圓形和橢圓錐形波導
■ 拋物線和指數錐形波導
■ 3D剪切函數形狀
■ 光子晶體晶格編輯器
■ 從第三方CAD設計軟件中導入
■ 導出光刻掩膜
模擬器:
■ 2D TM或者TE以及3D模擬
■ 非一致性網格劃分
■ 光子晶體PWE帶寬求解器
■ 全64位模擬器,多線引擎
■ 計算機群集:Linux群集上混合多線/MPI引擎
探測器和后處理:
■ 點探測器(時間和光譜)
■ 線和區域探測器(DFT光譜)
■ 模式分析
■ 坡印廷矢量和偏振功率分析
■ 遠場變換
■ 文本,圖像或者動態場導出

OptiBPM 波導光學設計軟件

概述
OptiBPM是一個計算機輔助設計軟件工具,能夠設計復雜的光波導管,以在光電器件中對光學信號進行引導,耦合,開關,分束,多路復用和解復用。
OptiBPM是基于光束傳輸方法來模擬光通過任意波導介質(各向同性與各向異性)通道。通過OptiBPM,用戶可以同時觀察近場分布,檢測輻射以及方向場(guided field)。OptiBPM能夠提升一個設計工程師在波導器件設計中的效率,減小風險并降低總體成本。
應用
在一個基板上進行波導集成的建模,包含通道波導,肋或者脊波導,掩埋波導或者擴散波導。
設計分束器,合束器,耦合器,調制器,多路復用器和AWGS。
設計基于設備的光纖。
主要特性與功能
集成環境
OptiBPM能夠將通道,光纖和擴散波導合并到單個設計中。簡易的菜單選項允許對一個設計進行2D或者3D模擬。OptiBPM的集成為從波導到系統或者子系統級次的模擬提供了連續性。OptiFDTD與流行的光線追跡工具之間復雜場數據的轉換,允許OptiBPM設計者結合自由空間光學元件。
波導形狀
許多波導形狀可以使用,包括:線形,弧形,錐形(線形,拋物線的和指數的)和S彎曲(弧形,正弦和余弦)。
波導完全參數化,因此波導位置和所有其它波導性能能夠使用簡單的表達式進行控制。用戶自定義波導能夠讓其在一個設計中創建并使用任意形狀的波導。這些自定義波導的形狀能夠通過其路徑或者確定波導的上下臂來定義。通過輸入標準函數的單個變量,可以描述任意波導形狀。
波導可以可以使用鼠標點擊或者VB腳本語言進行創建和放置。波導寬度可以是錐形,在x-z上是其長度,在Y軸上上是高度。波導厚度可以是錐形,通道波導可以是線性錐形的,光纖可以是線性錐形或者對稱錐形。
從AutoCAD DXF和GDSII文件格式導入
在OptiBPM中支持這些標準掩膜設計格式的導入和導出。一旦用戶在OptiBPM中完成了波導回路的設計和模擬,即可導出最優化設計作為掩膜以用于加工。
光纖矢量和LP模式求解器
基于網格的模式求解器在計算光纖的時候有不可接受的局限性。來自光纖纖芯遠場的量級比網格模擬中所產生的誤差的數量級還要小。對于遠程傳輸,那些小場仍舊很重要。OptiBPM有一個多層光纖模式求解器,其使用的是變換矩陣技術而不是網格,以此來模擬LP和光纖矢量模式。能夠對許多數量級的場進行精確的評估。
高級優化算法
一個好的設計能夠從物理角度和基本設計原理知識獲得。然后,找到最佳的設計常常要經過一個冗長的逐步優化。OptiBPM擁有優化算法能夠自動完成這個優化過程。OptiBPM使用確立已久的算法,如使用全局搜索進行一維優化,使用單純形法或者方向設置法用于多維搜索。
大規模光學回路的分析
BPM技術用于微觀級次(特別是最小距離大約為0.1um),但是另一方面,光電回路可以占據一整個晶片(尺寸:10cm)。一個成功的分析需要將基本的微光技術和一個更抽象的或者系統層次的方法聯合起來進行使用。OptiBPM有散射數據特性,可以獲取任意器件的轉換矩陣。一旦以這種方法表征,器件(整個光學回路設計中的分段)能夠上傳到OptiSystem。光學回路作為光學系統的一部分進行分析是非常高效的,能夠進行高級光電回路設計,如晶格濾波器,梳妝濾波器,環形耦合諧振器和AWGs.
電光模擬
OptiBPM能夠模擬線性電光效應(Pockets效應)。用戶可以構建任意形狀的電極并將其添加到設計中。OptiBPM將會計算橫向平面的靜態(后者無線電頻率)電場并計算由電光效應改變了的光學傳輸。
OPTIMODE
OptiMode是一個完全的軟件套裝以用于波導的模態分析,是光學元件設計中的首要任務。任意波導都能夠使用許多數值算法進行分析,并且可以包含不同級次的分析,如:標量,半示例,全矢量,電場,磁場,各向同性和各向異性。波導設計可以參數化并且優化。復雜的波導(如光子晶體)可以使用VB腳本語言在OptiBPM或者是OptiFDTD中創建。由于OptiMode,OptiBPM和OptiFDTD共享同一個設計者資料,因此它們之間 可以進行配置和材料的復制(通過簡單的拖拽)。可以視同OptiMode分析器進行后處理和模擬數據回顧。

概述
一個給定的光通訊系統的最優設計與光纖參數的選取直接相關。光纖橫截面的尺寸,材料成分和折射率輪廓都會影響重要的線性和非線性現象。OptiFiber使用數值模型求解器和其它專門的模型來計算光線的色散,損耗和雙折射以及PMD。
主要的功能和應用
評估參數,敏感性和公差
通過有限差分或者轉換矩陣方法來進行LP或者矢量模式的光線模式求解
來自儀器,如EXFO-NR-9200的測量光纖輪廓分析
單模光纖設計,如Corning SMF-28,色散平坦光纖或者色散位移光纖
多模光纖設計,如50/125um和62.5/125um二氧化硅光纖
傳輸中多模干涉圖案的可視化
自動參數掃描
光纖傳感器設計
計算雙折射以及來自內部或者外部擾動的產生的PMD
概述
作為過去十年中的一個行業標準,OptiGrating已為業內提供了強大且友好的設計軟件以用于模擬包含光柵的集成和光纖光學設備。OptiGrating使用耦合模方法模擬光并能夠分析和合成光柵。
一個復雜的光柵可以由一系列一致性的片段近似,通過著名的轉換矩陣方法將片段連接起來以進行分析。這為設計者提供了所需的信息以進行光柵設計的測試和優化。
應用
WDM增/減,窄帶和寬帶光纖以及波導濾波器
光纖布拉格反射器
EDFA增益均衡元件
光纖光學通訊的色散補償
使用光柵切趾進行邊帶抑制
光纖和波導傳感器
耦合到包層模的長周期光柵
Optiwave創立
作為第一批意識到光電設計自動軟件潛力的公司之一,Optiwave 從其軟件產品的擴展套裝和應用再到自身的工程設計以及卓越的技術支持,在行業內享譽盛名且不斷的創新。
Optiwave的本質是一個研發性質的公司,這同時也一直是它最大的優勢。在工程軟件解決方案開發方面,其專家團隊已為數值模擬物理處理創造了許多高精度且人性化的行業領先的軟件應用程序。
|